San Diego Carabobo, Venezuela
8:00 am - 5:00 pm
info@conaceroca.com

Productos y Servicios

Inicio / Productos y Servicios

Aunque la actividad principal de CONACERO,C.A. es proveer soluciones para la construcción de estructuras metálicas, realizando el diseño, fabricación y montaje de las mismas, también ofrecemos servicios de diseño arquitectónico y gerencia de obras y cualquier tópico relacionado con la construcción.

.- Arquitectura

En CONACERO,C.A ayudamos a nuestros clientes a convertir sus ideas en proyectos ejecutables, haciendo uso de nuestro conocimiento y experiencia en el diseño arquitectónico. Nuestros servicios abarcan desde la conceptualización, desarrollo de la propuesta de diseño, interiorismo y modelado 3d.   Haciendo énfasis en brindar soluciones en el diseño de interiores, siempre incorporando nuevas propuestas en el uso de materiales, optimización del espacio y su personalización. Volver al Inicio

.- Ingeniería de Proyectos

CONACERO,C.A cuenta con un equipo de ingenieros con una gran experiencia en el diseño de edificaciones. Definimos los recursos necesarios para la ejecución de planes o tareas, lugar de implantación, obras complementarias, protección ambiental, entre otros. Nuestros especialistas se adaptan al código de diseño del área del Proyecto, ya sea bajo normativa americana o europea.

Para el Análisis y diseño de las estructuras y sus conexiones nos apoyamos en softwares de ultima generación con modelado 3D y elementos finitos, así como también en hojas de calculo creadas por nuestro mismo personal especializado. Volver al Inicio

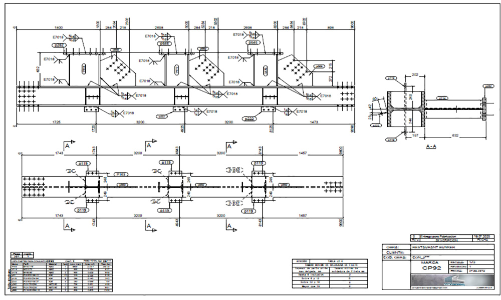
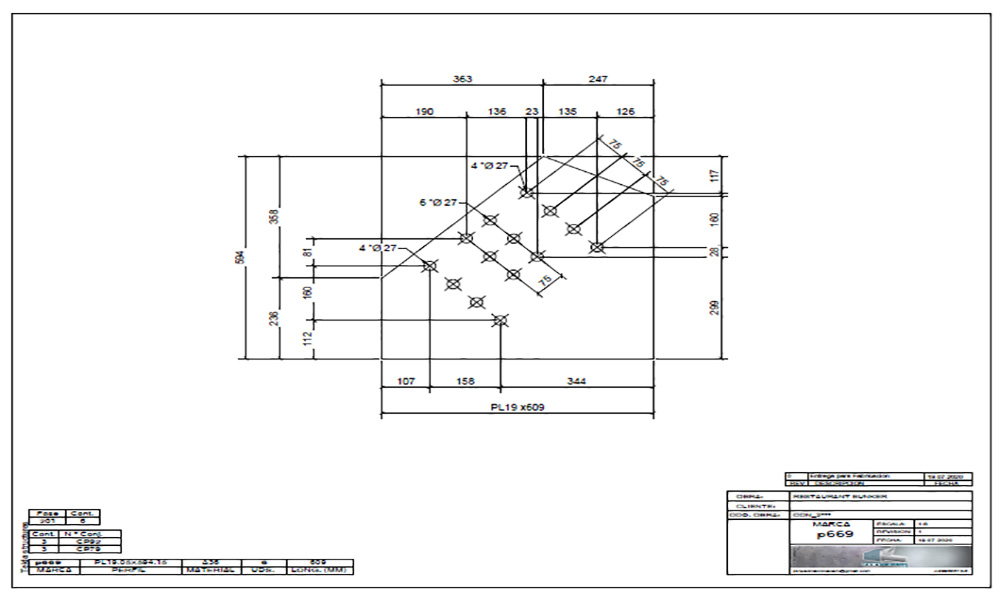
.- Detallado estructural

Generamos modelos 3D de las estructuras con la ayuda de softwares modernos adaptados a tecnologías BIM (Building Information Modeling), así como también planos Generales y de fabricación. Para el control integral de inventarios y producción entregamos todo tipo de listados y Archivos NC para las maquinas de control numérico. Volver al Inicio

.- Fabricación y Montaje de Estructuras de Acero

Nuestra fabrica opera en un inmueble propiedad de la empresa, ubicado en Yagua Edo. Carabobo. Los procesos para la fabricación de las estructuras los realizamos con herramientas manuales y algunas automatizadas, además contamos con montacargas y equipos eléctricos pesados para elevación y manejo de las piezas. Volver al Inicio

.- Gerencia e Inspección de Obras civiles

Si el cliente lo requiere podemos ofrecer el recurso humano profesional capacitado necesario según la magnitud de la obra y el lapso de tiempo de ejecución de la misma. Garantizamos que la obra se desarrolle en conformidad con las normas técnicas, los planos, especificaciones, presupuesto, niveles de calidad, seguridad y demás documentos que componen el proyecto de construcción.Volver al Inicio